务实创新#开拓进取
诚信为本#服务社会
全国服务热线:0818-7233072
152-8186-6437
首页
关于我们
公司简介
组织架构
企业文化
荣誉资质
产品中心
玄纤原丝
玄纤制品
新闻资讯
公司动态
行业资讯
技术交流
使用手册
技术标准
行业标准
客户留言
党的建设
领导关怀
组织建设
党员活动
公告信息
联系我们
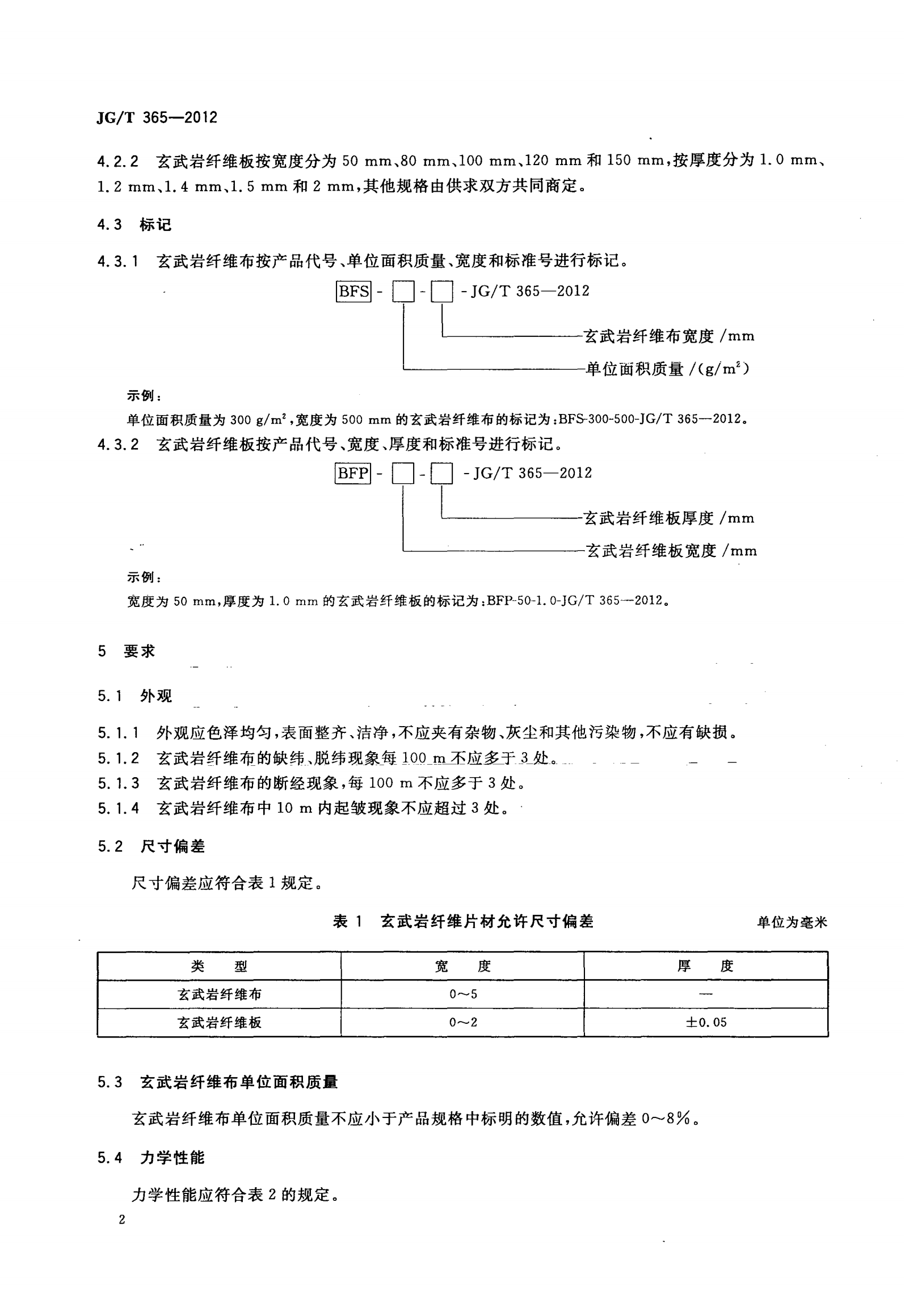
JGT 365-2012结构加固用玄武岩纤维片材
发布时间:
2021-09-17
所属分类:
上一个
JGT364-2012纤维增强复合材料格栅
下一个
JGT 351-2012纤维增复合材料筋